防雷模塊前端空氣開關的匹配方法是什么?
工程項目中,電源系統的防雷模塊在安裝時,前端都會串聯一個后備保護器,一般用普通的熔斷器或者空氣開關。
目的是為了當防雷模塊出現故障時,將防雷模塊從電網斷開。
很多工程師不知道這個后備保護開關如何匹配,今天,中為防雷給大家介紹一下防雷模塊前端空氣開關的匹配方法!
兩者的匹配方法主要是依據以下兩點:
1、后備空開不小于主開關F1的額定電流值。
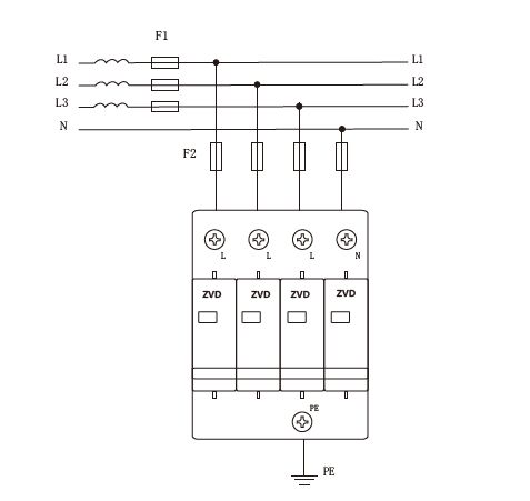
這一條的意思是防雷模塊前端空氣開關的額定電流值,不能大于電源系統的主開關,如下圖所示F2不能大于F1。
比如主開關是32A,后備開關你選一個63A的,這樣可能出現當浪涌保護器防雷模塊出現問題,后備開關沒斷開,反而主開關斷開了,主開關斷開就會導致系統斷電造成系統停電,有些系統是嚴禁停電的,所以需要注意這一點。
2、在滿足第一條的情況下,開關的耐浪涌沖擊能量盡量和防雷模塊匹配。
空氣開關有浪涌耐受能力,比如32A的開關,耐沖擊大約就是10~15kA的水平,這和空開的品牌等都有關系,各品牌廠家耐浪涌沖擊能力不一樣。
但是這個值,空氣開關廠家一般是無法提供的,因為他們不會做這個測試。
這個介紹的值只是一個經驗值,是根據中為防雷多年的測試結果得出,空氣開關耐沖擊能力最高值,大約就是額定電流值的一半。比如63A開關,耐受能力最高就是30kA,正常水平也就20kA左右。
根據上面的描述我們就知道,開關的耐浪涌沖擊能量應該盡量和防雷模塊匹配,因為如果不匹配,選小了,一個大一點的浪涌沖擊過來,后備開關就直接跳閘了,導致電源防雷器無法起到作用了。
3、當以上兩點無法兼得時,可選擇浪涌專用后備保護器。
電源防雷模塊也叫浪涌保護器,目前中為防雷推出浪涌保護器專用的后備保護開關,該產品能耐受和防雷模塊一樣的沖擊電流而不脫扣,并且能切斷最低3A至最大100kA的短路電流,能完美的和浪涌防雷模塊配合。
更詳細介紹可以查看:http://www.shanghaibeijia.cn/scb/

總結:以上內容就是防雷模塊前端空氣開關的匹配方法介紹,希望對大家在電氣系統防雷設計時起到一定的幫助。
廣東中為智能防雷技術有限公司,轉載需授權http://www.shanghaibeijia.cn/knowledge/1128556.html。
廣東中為智能防雷技術有限公司
